尾翼啸叫
• 仿真结果复现了啸叫现象,改型方案通过FIPS仿真验证有效,风洞试验最终验证
• 在400Hz左右有明显的尖峰,与风洞试验结果相同
• 在3000-4000Hz左右有宽频突起,与风洞试验结果相同
• 在以后车型开发中,设计阶段即可进行啸叫的虚拟识别,降低后期整改成本

后视镜啸叫
• 客户某款车型后视镜在高速时出现啸叫声,主观评价难以接受
• 仿真结果复现了啸叫现象,在以后车型开发中,设计阶段即可进行啸叫的虚拟识别,降低后期整改成本

• 方案1 无峰值,无啸叫现象
• 方案2 啸叫峰值频率为 5600Hz,影响频率范围 2800-6500Hz
• 试验峰值频率为 5680Hz,影响频率范围 4400-6500Hz,与计算结果吻合;
• 论文来自“2023汽车空气动力学分会学术年会”

麦克风孔啸叫
• 120km/h工况,侧窗玻璃两个测点,FIPS计算结果和风洞试验几乎吻合

• 90km/h工况,后视镜有啸叫,引发原因是后视镜上的麦克风孔
• 在后视镜外侧设置监控点,以后视镜表面为噪声源,利用噪声类比方法计算远场噪声
• FIPS计算结果和风洞试验几乎吻合

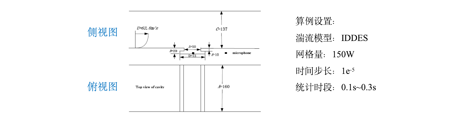
浅腔流动啸叫
• 浅腔分析的主要目的是为噪音分析提供流场信息


